电机星形接线和三角形接线详解
1.基础知识介绍
1)星形接法
星形接法的结构特点是三相绕组的末端连接在一起,形成一个公共点。当绕组按照星形接线时,绕组的线电压将通过相电压两两相减得到,此时绕组的三次谐波电动势将互相抵消,即绕组的线电压不含三次谐波,也不含三的倍数次谐波。如图1所示。
图1:电机星形接法示意图
图2:电机星形接法实物图
2)三角形接法
三角形接法的结构特点是三相绕组互相首尾相连,不存在公共点。当绕组按照三角形接线时,绕组的线电压就是相电压,此时绕组的三次谐波电动势叠加后的和,将在闭合回路中形成三次谐波环流,该环流会引起温升增高,从而使电机的效率下降。如图2所示。
图3:电机三角形接法示意图
图4:电机三角形接法实物图
2.电压电流关系
1)电压
线电压:三相电路中A、B、C三相引出线相互之间的电压,又称线电压。在我们常用的三相电路中即A、B、C三相引出线相互之间的电压。在对称的三相系统中,线电压的大小是相电压的1.73倍。在我国的低压供电系统中,线电压为380伏。
相电压:多相交流电路中在给定点的相导体与连接系统中性点的导体之间的电压。在我们常用的三相电路中即三根火线中任意相线与零线之间的电压,我国的低压供电系统中,三根相线各自与中性线之间的电压为220伏。
由图5、6可知,星形接法流过电机绕组的线电压是相电压的√3倍。三角形接法时,线电压等于相电压。
2)电流
相电流:三相电源中流过每相负载的电流为相电流,用Iab、Ibc、Iac表示。
线电流,是三相电源中每根导线中的电流(并不是出线相互之间的电流),用IA、IB、IC表示。
由图5、6可知:星形接法流过电机绕组的线电流等于相电流,三角形接法流过电机绕组的线电流等于√3相电流(IA=IAB-ICA),且线电流滞后相电流30°。
图5:三角形接法电压、电流关系图
图6:星形接法电压、电流关系图
诉大家一个好消息,现在点击左下角链接,就能免费抢王者荣耀6480点券,活动真实有效,限时限量,手慢无,链接还在就是还有机会,赶紧去试试吧~
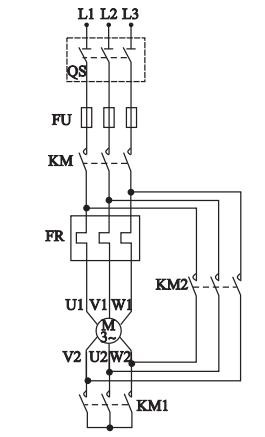
3.星三角启动介绍
1)原理
电动机启动时,KM1闭合,KM闭合,绕组星形接法(如图5所示);当电机启动过程完成后,KM1断开,KM2接通,此时电动机转换为三角形连接(如图3所示),此时流过主接触器KM的电流是线电流,流过继电器FR的电流是相电流。
图7:星三角启动原理图
2)优点
①启动电流小(仅为正常直接启动的1/3),降低对电网和电动机本身的冲击。
对于正常工作时是三角形接法的电机,其额定电流为三角形接法工作时的线电流。星三角启动电流推算如下:
我们假设某电机每相绕组的电抗为Z,供电电压为:三相380V。
三角形接法时:
U线=U相=380V
I相=U相/Z=380V/Z
I线=√3U相/Z=√3x380V/Z
星形接法时:
U线=√3U相
I线'=I相'=U相/Z=220V/Z
I线/I线'=3,即星三角启动电流仅为直接启动电流的1/3。
②减少电动机的起动转矩,提高系统的稳定性。
星三角启动可以减少电动机的起动转矩。在星形接法下,电动机的起动转矩较小,因为相电流较小。而在角形接法下,电动机的起动转矩较大,因为相电流较大。通过初始以星形接法启动,可以减小电动机的起动转矩,降低对传动系统和负载的冲击。有助于保持系统的稳定运行,减少电动机启动过程中的振荡和不稳定现象。
③简单可靠:星三角启动方法相对简单可靠,不需要额外的启动装置或控制器。只需通过切换电动机的接线方式即可实现星形接法和角形接法之间的切换。
思考:对于“多大功率电机用星接,多大功率电机用角接”这个问题,我查阅了很多国标也没有查到具体国标处出,希望知道的同行给予解答,不胜感激。
网址:电机星形接线和三角形接线详解 https://mxgxt.com/news/view/937445
相关内容
旭日东升k线形态详解!电机星三角启动电路图,电机星三角启动电路图原理
评娱乐圈:娱乐三角形,情、欲和底线
日韩一线二线三线四线五线的详细划分与特点解读
韩国明星线starline整形外科医院:专业整形,美丽之选
启明星k线图形态
K线反转形态之启明星和黄昏星形态图解
交易全明星—K线图详解(二)
底部反转K线形态——启明星(图解)
图解逢现必大跌的九大K线组合形态

